Регуляторы скорости для вентиляции
Регулятор скорости вращения вентилятора — прибор, позволяющий изменять параметры работы электрического мотора, устанавливая оптимальный в данный момент режим работы. Компания «ПП Благовест-С+» предлагает широкий ассортимент данных устройств от известных производителей продукции для систем вентиляции жилых и общественных зданий, а также для промышленных предприятий.
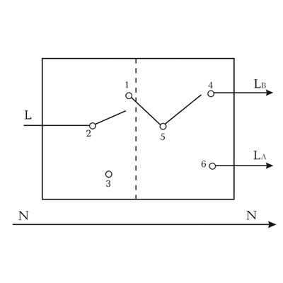
Приборы отличаются рядом характеристик, наличием дополнительных функций и конструктивными особенностями. Трансформаторные и электронные семисторные однофазные регуляторы скорости вращения используются для электрических двигателей, скорость которых можно варьировать, изменяя выходное напряжение. Именно с их помощью можно установить минимальную скорость двигателя. Как правило, прибор поставляется в комплекте с двумя плавкими предохранителями (основным и запасным).
Многие модели представлены в двух вариантах — для поверхностного (тогда они имеют внешний корпус) или внутреннего (выпускаются без корпуса заподлицо) монтажа. Переключение скоростей и функция включения/выключения легко осуществляется посредством переключения клавиш или поворотом ручки управления, находящихся на передней панели. Высокий класс защиты позволяет использовать регулятор скорости вращения вентилятора даже во влажных помещениях.
Еще один плюс — возможность с помощью одного прибора управлять сразу несколькими двигателями (при условии, что их общий ток не больше максимального тока регулятора). Ряд моделей имеют дополнительные функции, например, фильтрации индустриальных помех (модель серии Reb). А программируемый регулятор скорости вращения вентилятора SGRD 2.5 позволяет задать рабочий режим и сохраняет настройки в памяти до отключения, а также имеет индикацию от перегрузки/перегрева, причем информация отражается на цифровом дисплее.
Сориентировать в многообразии приборов, предоставить наиболее полную информацию о заинтересовавших вас моделях и выбрать оптимальный вариант помогут специалисты компании «ПП Благовест-С+», которая работает на рынке климатического оборудования уже почти 20 лет.

